日产200吨镁砂破碎生产线设备选型和技术方案
导读:以下案列适用于日产200吨×2套成品镁砂破碎生产线项目,包括高纯镁砂日产200吨破碎、电熔镁砂日产200吨破碎项目的设备选型、技术方案、安装、调试和验收等方面的技术方案参考。
生产线标准:符合国家有关安全、环保等强制性标准
工作环境温度:-35℃至40℃
原料技术条件:
产品指标要求:
除尘指标要求:烟气含尘量《30mg/m3
公用设施的技术条件:
电源要求
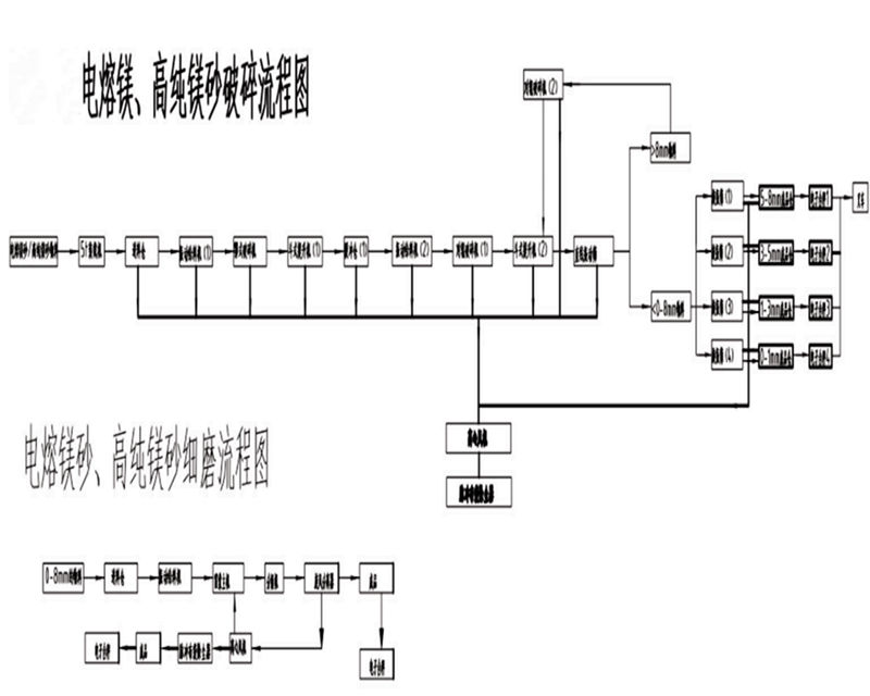
二、工艺流程图(见图一)

图一:镁砂破碎生产线流程图
三、标准和规范
设备产品设计、制造、施工、试验等按国家及行业颁布的现行标准、规程、规范及有关实施细则执行,包括但不限于:
JB/T3279-2005 复摆细碎颚式破碎机;
GB/T11352 一般工程用铸造碳钢件;
GB8923 涂装前钢材表面锈蚀等级和除锈等级;
HGJ229-91 包装通用技术条件;
GB4208 外壳防护等级分类;
GB/T3766-2015 液压系统通用技术条件;
GB/T3077—2015 金属结构钢;
GB699—2015 优质碳素钢及技术条件;
GB/T5680-2010 高锰钢铸件技术条件;
GB/T13384—2008 机电产品包装通用技术要求;
GB12348-2008 工业企业厂界环境噪声排放标准;
JB/T4127.3-2011 机械密封产品验收技术条件;
GB5033-2013 建筑安装工程质量检验评定标准
GB50194-2014 建设工程施工现场供用电安全规定
GB50727-2011 工业设备、管道防腐蚀工程质量验收规范
GB50236-2011 现场设备、工业管道焊接工程施工规范
GB150-2011 钢制压力容器
1)加注润滑油的轴承箱应有放油阀,以便润滑油的更换,组装时应绝对保证轴承箱及主轴的清洁。
2)在所供设备的明显部位订装牢固的304不锈钢材质铭牌,铭牌至少包括下列内容:设备名称、设备制造厂名称和制造年月、设备编码、设备型号、设备净重等。
3)轴承选用品牌公司的正规产品。
4)各转动件应转动灵活,不得有卡阻现象,并应设有防护罩(所有皮带传动要配防护罩、电机连接的联轴器处要配防护罩)。润滑部分密封良好,不得有油渗漏现象,加油方便,设备出厂前轴承润滑剂加满并配带加油嘴。
5)所有三角带品牌选用品牌正规产品。
6)所有减速机采用硬齿面结构产品。
7)所有的皮带选择品牌公司产品。
8)所有现场箱体外壳采用304不锈钢板材质,厚度≥2mm,采用下进、下出线方式,进出线带PG接头,防护等级:IP55。控制箱仅具有急停、本地、启动、停止和状态指示功能,箱内不设主令回路。柜内必须贴带有保护膜的该回路的控制原理图、电动机的编号、控制回路编号。柜内二次回路导线,电流回路不小于4mm的多股铜导线,控制回路不小于2.5mm的多股软铜导线并压接针线鼻、套机打号码管,柜内导线绝缘等级为1000V。供货范围内电气类元件(断路器、接触器、继电器、速熔、变频器、控制按钮、指示灯)采用Siemens、ABB等品牌产品。
9)系统采用现场控制方式,包括所有电气、仪表设备的控制,控制方式全部采用硬接线,不采用通讯。
10)低压电动机技术要求:
10.1)每一台电动机的设计与构造,必须与它所驱动设备的运行条件和维修要求一致。当频率为额定值,且电源电压与额定值的偏差不超过±5%时,电动机应能输出额定功率。电动机的额定功率应不小于电动机所驱动设备长期连续运行所需的能力,其值至少应大于最大制动功率。电机额定功率按照重载驱动选型,即在运行过程中非正常停止后可带料再启动。
10.2)配套电机必须采用高效节能电机,并在交货时提供国家机构的节能认证证书,符合《GB18613—2012中小型三相异步电动机能效限定值及能效等级标准》规定二级能效标准。电动机的防护等级IP55,绝缘等级为F级绝缘,温升为B级,连续工作制S1,电机能过载20%正常使用。
10.3)电动机的接线盒应在电动机顶部,电机基座号大于280的接线盒应该比标准接线盒尺寸大一号,并带金属PG接头(电缆密封接头)。电动机的轴承结构应是密封的、能隔绝污物和水、并不使润滑脂进入线圈。
10.4)轴承选用品牌系列轴承,并且轴承的使用寿命与电动机直连的轴承不少于100000小时。基座号160(含160)以上的电动机带加油嘴和排油装置,90kW及以上功率的电机在定子绕组B相中预埋PTC测温,电动机的所有引线,都应接到各自的接线盒,并要求带有适当的标记和识别符号。
10.5)电动机应有吊环或其它起吊设施,使电动机能够简便安全地起吊。定子外壳采用铸铁结构,具备有足够的机械强度,以满足振动、机组启停和短路情况下的要求。定子外壳的设计考虑维护和检修方便。定子的安装和铁心结构的设计上考虑减少倍频振动的因素。
11)桥架技术要求:宽度600mm(包括600mm)以上的钢板厚为3mm,采用加强型;宽度小于500mm(包括500mm)的钢板厚均为2.5mm,厂方提供的电缆桥架必须保证其承载能力,所有的工字钢立柱及托臂均需采用加强型,采用热浸锌工艺并满足国标要求。
12)配套设备厂家:选择低压工频电机厂家
2、设备规范
2.1 振动给料设备
1)振动筛筛体焊缝必须焊透。横梁在垂直方向无拼接。筛框侧板采用整板。筛框侧板和后挡板、排料嘴及横梁采用高强度螺栓或环槽铆钉联接。进料口部位设有16Mn衬板,避免物料直接冲击筛网。
2)保证直线振动筛筛下漏斗强度,筛下漏斗采用8mm厚钢板制作,筛下漏斗外部设置加强筋。
3)供货设备进出料口配带法兰,内套管非金属膨胀节软连接(蒙皮),内外套管间距≮30mm。直线振动筛设置除尘点接口。
4)设备所有减震弹簧为60Si2Mn材质,连接紧固件8.8级。箱体密封材质选用聚四氟乙烯延展带。
5)振动筛、振动给料机振动电机选择品牌产品。

图二:振动给料机
2.2 复摆颚式破碎机
1)电机需含电机调整底座、三角带(包括皮带罩、飞轮防护罩)。
2)颚板、护板等易损件更换应方便(颚板可对头互换),调整装置应灵活,颚板波峰厚度≥155mm,波谷厚度≥80mm。
3)轴承密封防尘装置采用迷宫迷封,需润滑的摩擦面应有防尘措施。设备轴承润滑方式为手动干油润滑。
4)破碎机的旋转传动部件配置安全防护装置。设备有可靠的超载保险装置,当破碎腔内掉进非破碎物或严重超载时,肘板折断,能保护其他零件不致损坏。
5)破碎机品牌选择:上海98-web冶金设备有限公司(山碎),江苏菲尼克斯机械有限公司(菲尼克斯)。

图四:复摆颚式破碎机
2.3 对辊破碎机
1)设备机盖能方便开启,设有密封严密的检查门,便于检修;各工作门、结合面的密封可靠,门轴转动灵活,无向外漏粉、漏风现象。
2)破碎机齿板为燕尾齿板,采用高耐磨铬钼合金钢材质整体精铸,使用寿命不少于6000h。设备运行过程中,不堵料不粘料。齿板采用T型螺栓方式连接紧固。厂家提供专用齿板拆卸安装工具。
3)轴承采用自动换油润滑系统,对轴承同时进行润滑保护,设备开始运行时自动给轴承加清洁干净的润滑油,同时将轴承中的含杂质的油脂通过排油孔排出。轴承座采用迷宫密封形式。破碎机设置碟簧闪退调节机构和剪切保护保险销双重保护装置,避免超硬物料进入设备时损坏机器。

图五:对辊破碎机
对辊破碎机(1)
对辊破碎机(2)
1)斗式提升机头轮驱动带逆止装置;提升机轴承座采用剖分式、外置式轴承座独立于壳外,带骨架油封。
2)斗式提升机尾轮配重形式采用重锤式,配重块由生产制造厂家提供。
3)设有断裂检测,卸料口装有防回橡胶板。
4)提升机头部设置检修平台,检修空间不低于1m,防护栏高度不低于1.2m,并配带维修架。
5)斗式提升机整机需具有良好的密封性能,在工作时不得有粉尘外漏现象。壳体连接处密封采用聚四氟乙烯带密封。
6)斗式提升机的壳体设置检修门(检修门采用快开式),检修门位置以楼板标高为基准抬高1m,要求两侧均应设置检修门。
7)斗式提升机入料口及出料口需加入耐磨衬板材质16Mn。
8)提升机头部、尾部预留收尘口。

图六:斗式提升机
斗式提升机(2)
2.5 离心风机
1)采用联轴器连接的风机,联轴器处设置全封闭式钢制保护罩,由不小于4mm薄板制作,该保护罩能将全部外露转动部分覆盖,当尺寸大于300mm应加两道立筋;电机与风机放置在室外,需配置整体防雨罩。
2)对于风机壳体预留观察孔或检修孔的,必须使用四氟垫片进行密封,严禁漏风。
3)严格依据产品技术参数进行设备制造,因产品规格所限需要根据风机流量范围配套风机的,风量指标应为参数的下限值,禁止将所供风机风量的最高上限值作为设备技术要求中的定值。
4)风机出口配套消音器;进、出口配备金属膨胀节;出、入口风门选用手动型。
5)风机与电机连接方式采用直联式,采用膜片式联轴器,联轴器处设置钢制联轴器保护罩,该保护罩是封闭式,且易拆装。
6)轴盘材料选用铸铁;主轴材料选用45号钢;侧板厚度不小于5mm;蜗壳板厚度不小于4mm。

图七:离心风机
离心风机(1)
2.6 除尘设备技术要求
1)除尘器出口含尘浓度≤30mg/m3。
2)布袋除尘器运行时每平方米过滤风速小于0.8m/min。
3)除尘器滤袋材质为覆膜涤纶三防针刺毡550g,布袋在保修期内失效率<0.5%,寿命期内失效率<1%。
4)壳体采用压型板制作,材质选用Q235B,厚度不小于5mm,进出口管道配对法兰厚度不小于12mm,进风口处设置导流板,保证气流均匀分布。花板采用低碳钢板,厚度不小于6mm。
5)脉冲阀要求采用进口产品(高原或ASCO),提供脉冲阀的规格、型号、技术参数。
6)除尘器本体配带格式卸灰阀。
7)除尘器必须做泄露试验。
8)灰斗壁厚规格为5mm,灰斗斜侧壁与水平方向的交角要考虑物料的流动性,不能集料,每一灰斗应配备一个检修用人孔。
9)袋龙纵筋φ3.8mm,加强反撑环φ4mm,间距200mm,φ160骨架纵筋数量为14条, φ130骨架纵筋数量为10条。
10)储气罐要求排污、排水和有安全阀。储气罐的报验手续(含费用)由用户负责。
11)除尘器满足在线清灰、离线清灰、单独仓室隔离检修功能,不允许采用“箱式喷吹”的形式。进风阀为独立结构,阀门采用法兰连接。

图八:脉冲除尘器
1)台秤四角配有可调节304材质秤脚,调节高度约 1~15mm;称体面板花纹钢板厚度5mm;加强筋选用14#槽钢。
2)配置高精度铝合金专用称重传感器,传感器选择品牌厂家。
3)安全过载 150/%.FS;极限过载 200%.FS; 综合误差±0.02%.FS;工作温度-30~+70℃;具有置零,扣重,计数,动物称重功能和零位跟踪功能。
4)显示屏设计防水、防尘密封,严密灰尘介入。
5)仪表为交直流两用型,带可充电蓄电池,电瓶充足可连续使用不少于 20 小时。
6)带有标准 RS232 接口,可以跟电脑通信,100%.FS 去皮,自动零点追踪;IP65 五孔接线盒; 内置精密可调电路,用来调整每只传感器之间的误差。
7)就地显示重量。
1)空气炮开启时间≤2秒;工作介质为压缩空气。
2)空气炮本体及附属设备设计承压能力不低于1.0MPa。
3)喷吹管、球阀、高压金属软管、对丝、耐热喷嘴采用304不锈钢材质。
4)喷吹管口应与仓筒内壁斜交(方向向下),满足满焊要求。
5)空气炮设计排污口。
6)所有组件均应有匹配标记,并配备组件对准所需器具。
7)二位二通气动阀应安装在紧靠气缸进口的进气管上。
8)电磁阀应采用防水型二位二通电磁阀产品,并应具有防盐雾腐蚀功能。

图九:空气炮
1)钢丝绳悬挂式电缆必须以水平方向安装,同时必须满足从常温到55℃的温度变化引起的电缆变形。电缆采用耐高温、阻燃型。
2)电动葫芦起升和行走采用双速电动机,实现快慢速,保证起吊重物平稳升降和平移。
3)控制方式为遥控手柄为主,36V安全操作电压,操作手柄带紧急停车按钮,在发生紧急情况时能通过急停按钮断开总电源;手柄电缆采用高强度电缆。开关选型按照ICS≥50KA。
4)厂家提供的电动葫芦是一套完整设备,具体包括运行机构和提升机构的电机、减速机以及壳体、卷筒、钢丝绳和导绳器、吊钩、控制系统和安全防护装置等附件。
5)卷筒筒体:单联卷筒16锰材料卷制,短轴连接,标准绳槽,带导绳器,保证钢丝绳规则的导入卷筒。钢丝绳选择防缠绕镀锌材料。吊钩配带保险锁。
6)配备起升限位开关、两端的缓冲橡胶块、高速旋转部位设安全防护罩。
2)磨机底座采用整体铸造结构,提高磨机稳定性及使用寿命。
3)磨粉机磨辊采用手动干油润滑。设备冷却方式不采用水冷。
4)磨粉机主电机、选粉机电机采用变频调节,主风机及除尘器配套风机电机不采用变频调节。
5)选粉机采用动静组合式选粉机,叶片采用耐磨材料。
6)收集系统旋风集粉器板厚要求5mm以上,蜗壳切向进风内壁加焊Mn16内衬。
7)除尘器及离心风机制作及供货厂家参照2.5和2.6条例具体要求。

图十:雷蒙磨粉机
客户自己负责购买的材料包括:安装、试验、检测、探伤以及设备、罐槽、胶及粘结剂、设备调整垫片、M8以下螺栓、油漆(防锈、防腐油漆、面漆)、电缆桥架、接地镀锌扁铁、镀锌管、电缆针型鼻等。
电仪备件原则:备件应与设备上安装的为相同型号,质保期内非甲方原因造成损坏的电气、仪表设备(包括电机)由乙方免费更换。每2台相同型号电动机备用1台。
本次安装范围为成品破碎项目涉及到的设备安装、管道敷设、电缆敷设、非标制作、防腐。主要包括主/辅机设备、工艺管道、电气系统、油系统等及工程内的管道、阀门、桥架、支吊架、电缆敷设等附属设备的安装。
2、工艺设备相关
1)非标制作:包括设备钢结构平台、盖板、料斗、溜槽、料仓、支吊架、防尘罩、防护装置的制作安装。
2)油系统:液压油、变压器油、润滑站等油站的注油、滤油及滤材和化验。
3)防腐:安装范围内的设备、钢构件、管道(含地埋管)的除锈、油漆、防腐,安装后的最后一道面漆或设备、管道补漆。
4)管道清理:压缩空气、水管道由乙方人员组织吹扫、冲洗、打压试验、解列和恢复。
5)设备、管道、电缆管的穿墙、开沟、回填、楼板孔的开凿、路面破除属安装范围之内(遵循谁使用,谁开孔;谁开孔,谁封堵的原则)。
6)本项目的水、电、压缩空气、电缆桥架等衔接都在安装范围内。
7)压力容器和压力管道开工许可、监检和使用证的取得(含费用)全部在安装范围内。
8)设备基础一、二次灌浆均不在本次安装范围内,设备具备灌浆条件后用户书面通知厂方,用户技术人员监督灌浆工作并验收。
9)设备操作、检修、工艺管道上操作需要的钢平台及土建图纸范围内的钢平台包含在安装范围内(除混凝土结构上的栏杆、混凝土结构至混凝土结构的楼梯不在本次安装范围内)。
3、性能指标
3.1 产量指标:本项目为两条相同工艺路线和设备,依据作业时间12h/天,每条生产线产量200吨/天,稳定运行;
3.2 产品粒径满足尺寸要求;
3.3 除尘器尾气含尘量≤30mg/m3。
4、性能测试程序
测试分析方法和程序为:在系统试运行和以后的正常生产中,双方建立一套双方都接受的工作程序记录和所有相关的操作和检验数据记录。在此期间,当记录表明试运行的生产能力已达到要求,且已连续了72h,同时产品规格、尾气含尘量都已达到本技术协议规定,即认为施工方已达到指标。
5、性能考核(两条生产线分别以电熔镁砂、高纯镁砂作为性能考核用原料)
5.1 如果在考核期内装置系统不能达到产能指标400t/d(200t/d×2套)的要求,那么用户将按以下比率进行考核:
6、布袋除尘器排放的尾气含尘量≤30mg/m3,尾气含尘量每高于5mg/m3扣除合同额的1%,以此类推。
本文原创来源:上海98-web冶金设备有限公司官方网站www.98-web.com,转载请注明文章出处!
上海98-web冶金设备有限公司自成立以来,一直专注于砂石生产线设备的研发、生产与销售,公司主营产品有破碎、制砂、磨粉、输送筛分设备及其配套备件等。位于江苏启东滨海工业园区的六万平米大型矿机生产基地,具备先进的数控加工设备和产品质检检测仪器,设备精度高、速度快,具有较强的生产能力,欢迎广大客户前来实地工厂考察或官网咨询,期待能与您长期合作,一起携手共赢!
欢迎新老客户致电,预约参观,我们将为您提供完善的碎石、制砂、矿石生产线成套设备解决方案,让专业的人做专业的事,让您我一起携手,共赢未来!
一、镁砂生产线技术参数
产量:200吨/日生产线标准:符合国家有关安全、环保等强制性标准
工作环境温度:-35℃至40℃
原料技术条件:
| 物料名称 | 进料粒度 | 体积密度 | 莫氏硬度 | 堆积角 |
| 高纯镁砂 | 25mm*20mm*12mm杏仁状球 | 3.30-3.35g/cm³ | 4--6 | 约44° |
| 电熔镁砂 | <150mm | >3.5g/cm³ | 4--6 | 约45° |
产品指标要求:
| 产品名称 | 粒径(一) | 粒径(二) | 粒径(三) | 粒径(四) | 粒径(五) |
| 高纯镁砂 | 200目 | 0-1mm | 1-3mm | 3-5mm | 5-8mm |
| 电熔镁砂 | 200目 | 0-1mm | 1-3mm | 3-5mm | 5-8mm |
除尘指标要求:烟气含尘量《30mg/m3
公用设施的技术条件:
电源要求
| 名称 | 特征值 |
| 高压 | AC 10.5kV, 50Hz |
| 低压 | AC 380V, 三相, 50Hz |
| AC 220V, 单相, 50Hz | |
| 照明 | AC 220V, 单相, 50Hz |
二、工艺流程图(见图一)

图一:镁砂破碎生产线流程图
三、标准和规范
设备产品设计、制造、施工、试验等按国家及行业颁布的现行标准、规程、规范及有关实施细则执行,包括但不限于:
JB/T3279-2005 复摆细碎颚式破碎机;
GB/T11352 一般工程用铸造碳钢件;
GB8923 涂装前钢材表面锈蚀等级和除锈等级;
HGJ229-91 包装通用技术条件;
GB4208 外壳防护等级分类;
GB/T3766-2015 液压系统通用技术条件;
GB/T3077—2015 金属结构钢;
GB699—2015 优质碳素钢及技术条件;
GB/T5680-2010 高锰钢铸件技术条件;
GB/T13384—2008 机电产品包装通用技术要求;
GB12348-2008 工业企业厂界环境噪声排放标准;
JB/T4127.3-2011 机械密封产品验收技术条件;
GB5033-2013 建筑安装工程质量检验评定标准
GB50194-2014 建设工程施工现场供用电安全规定
GB50727-2011 工业设备、管道防腐蚀工程质量验收规范
GB50236-2011 现场设备、工业管道焊接工程施工规范
GB150-2011 钢制压力容器
四、技术要求
1、总体要求1)加注润滑油的轴承箱应有放油阀,以便润滑油的更换,组装时应绝对保证轴承箱及主轴的清洁。
2)在所供设备的明显部位订装牢固的304不锈钢材质铭牌,铭牌至少包括下列内容:设备名称、设备制造厂名称和制造年月、设备编码、设备型号、设备净重等。
3)轴承选用品牌公司的正规产品。
4)各转动件应转动灵活,不得有卡阻现象,并应设有防护罩(所有皮带传动要配防护罩、电机连接的联轴器处要配防护罩)。润滑部分密封良好,不得有油渗漏现象,加油方便,设备出厂前轴承润滑剂加满并配带加油嘴。
5)所有三角带品牌选用品牌正规产品。
6)所有减速机采用硬齿面结构产品。
7)所有的皮带选择品牌公司产品。
8)所有现场箱体外壳采用304不锈钢板材质,厚度≥2mm,采用下进、下出线方式,进出线带PG接头,防护等级:IP55。控制箱仅具有急停、本地、启动、停止和状态指示功能,箱内不设主令回路。柜内必须贴带有保护膜的该回路的控制原理图、电动机的编号、控制回路编号。柜内二次回路导线,电流回路不小于4mm的多股铜导线,控制回路不小于2.5mm的多股软铜导线并压接针线鼻、套机打号码管,柜内导线绝缘等级为1000V。供货范围内电气类元件(断路器、接触器、继电器、速熔、变频器、控制按钮、指示灯)采用Siemens、ABB等品牌产品。
9)系统采用现场控制方式,包括所有电气、仪表设备的控制,控制方式全部采用硬接线,不采用通讯。
10)低压电动机技术要求:
10.1)每一台电动机的设计与构造,必须与它所驱动设备的运行条件和维修要求一致。当频率为额定值,且电源电压与额定值的偏差不超过±5%时,电动机应能输出额定功率。电动机的额定功率应不小于电动机所驱动设备长期连续运行所需的能力,其值至少应大于最大制动功率。电机额定功率按照重载驱动选型,即在运行过程中非正常停止后可带料再启动。
10.2)配套电机必须采用高效节能电机,并在交货时提供国家机构的节能认证证书,符合《GB18613—2012中小型三相异步电动机能效限定值及能效等级标准》规定二级能效标准。电动机的防护等级IP55,绝缘等级为F级绝缘,温升为B级,连续工作制S1,电机能过载20%正常使用。
10.3)电动机的接线盒应在电动机顶部,电机基座号大于280的接线盒应该比标准接线盒尺寸大一号,并带金属PG接头(电缆密封接头)。电动机的轴承结构应是密封的、能隔绝污物和水、并不使润滑脂进入线圈。
10.4)轴承选用品牌系列轴承,并且轴承的使用寿命与电动机直连的轴承不少于100000小时。基座号160(含160)以上的电动机带加油嘴和排油装置,90kW及以上功率的电机在定子绕组B相中预埋PTC测温,电动机的所有引线,都应接到各自的接线盒,并要求带有适当的标记和识别符号。
10.5)电动机应有吊环或其它起吊设施,使电动机能够简便安全地起吊。定子外壳采用铸铁结构,具备有足够的机械强度,以满足振动、机组启停和短路情况下的要求。定子外壳的设计考虑维护和检修方便。定子的安装和铁心结构的设计上考虑减少倍频振动的因素。
11)桥架技术要求:宽度600mm(包括600mm)以上的钢板厚为3mm,采用加强型;宽度小于500mm(包括500mm)的钢板厚均为2.5mm,厂方提供的电缆桥架必须保证其承载能力,所有的工字钢立柱及托臂均需采用加强型,采用热浸锌工艺并满足国标要求。
12)配套设备厂家:选择低压工频电机厂家
2、设备规范
2.1 振动给料设备
1)振动筛筛体焊缝必须焊透。横梁在垂直方向无拼接。筛框侧板采用整板。筛框侧板和后挡板、排料嘴及横梁采用高强度螺栓或环槽铆钉联接。进料口部位设有16Mn衬板,避免物料直接冲击筛网。
2)保证直线振动筛筛下漏斗强度,筛下漏斗采用8mm厚钢板制作,筛下漏斗外部设置加强筋。
3)供货设备进出料口配带法兰,内套管非金属膨胀节软连接(蒙皮),内外套管间距≮30mm。直线振动筛设置除尘点接口。
4)设备所有减震弹簧为60Si2Mn材质,连接紧固件8.8级。箱体密封材质选用聚四氟乙烯延展带。
5)振动筛、振动给料机振动电机选择品牌产品。

图二:振动给料机
振动给料机(1)
| 项目 | 特征值 | 备注 |
| 使用位置 | 进料仓下部 | |
| 设备数量 | 2台 | |
| 型号及名称 | GZGF90-140 | 带密封罩 |
| 安装倾角 | 10° | |
| 给料粒度(mm) |
(1)电熔镁:<150mm,堆积密度:2.5t/m3; (2)高纯镁:25mm*20mm*12mm杏仁状,堆积密度:2.5t/m3 |
|
| 处理量(t/h) | 0-17t/h(台) | |
| 进料口尺寸 | 槽体宽度900mm,长度1400mm | |
| 槽体材质/厚度(mm) | Q235B/10 | |
| 耐磨衬板材质/厚度(mm) | 16Mn/8 | |
| 单台设备运行功率(kw) | 2X0.75kw | 工频 |
| 单台设备电机功率(kw) | 2X1.1kw |
振动给料机(2)
| 项目 | 特征值 | 备注 |
| 使用位置 | 缓冲仓下部 | |
| 设备数量 | 2台 | |
| 型号及名称 | GZGF50-110 | 带密封罩 |
| 安装倾角 | 10° | |
| 给料粒度(mm) | 电熔镁砂和高纯镁砂<35mm,堆积密度:2.5t/m3 | |
| 处理量(t/h) | 0-17t/h(台) | |
| 进料口尺寸 | 槽体宽度500mm,长度1100mm | |
| 槽体材质/厚度(mm) | Q235B/10 | |
| 耐磨衬板材质/厚度(mm) | 16Mn/8 | |
| 单台设备运行功率(kw) | 2X0.37kw | 工频 |
| 单台设备电机功率(kw) | 2X0.55kw |
直线振动筛(1)
| 项目 | 特征值 | 备注 |
| 使用位置 | 第二道斗式提升机后侧 | |
| 设备数量 | 2台 | |
| 型号及名称 | 1530单层直线振动筛 | |
| 物料名称 | 电熔镁砂和高纯镁砂,堆积密度:2.5t/m³ | |
| 安装型式 | 座式安装 | |
| 安装倾角 | 10° | |
| 入料粒度(mm) | >8mm | |
| 筛下粒度(mm) | 0-8mm | |
| 处理量(t/h) | 0-35 | |
| 筛面、筛孔 | 1层,8*8mm | |
| 筛网材质 | 锰钢丝编织,丝径不小于2.5mm | |
| 筛箱材质/厚度(mm) | Q235B/10,筛体密封带除尘口 | |
| 振动器 | 振动电机 | |
| 是否配套防尘密封罩 | 是 | |
| 是否配套筛上漏斗 | 是 | |
| 单台设备运行功率(kw) | 2X3.7kw | 工频 |
| 单台设备电机功率(kw) | 2X4.5kw |
图三:直线振动筛
旋振筛(1)
| 项目 | 特征值 | 备注 |
| 使用位置 | 直线振动筛下部 | |
| 设备数量 | 8台 | |
| 型号及名称 | Φ2000mm三层旋振筛 | |
| 物料名称 | 电熔镁砂和高纯镁砂,堆积密度2.2t/m³ | |
| 安装型式 | 座式 | |
| 入料粒度(mm) | 0-8mm | |
| 筛下粒度(mm) | 0-1mm;1-3mm;3-5mm;5-8mm | |
| 处理量(t/h) | 5/台 | |
| 筛面层数 | 3层,1*1mm;3*3mm;5*5mm | |
| 筛网材质 | 锰钢丝编织,丝径不小于2.5mm | |
| 筛箱材质/厚度(mm) | Q235B/10,物料出料口分布在筛体同侧 | |
| 振动器 | 偏心激振器 | |
| 是否配套防尘密封罩 | 是 | |
| 是否配套筛上漏斗 | 是 | |
| 是否配套筛下漏斗 | 是 | |
| 单台设备运行功率(kw) | 3kw | |
| 单台设备电机功率(kw) | 4kw |
2.2 复摆颚式破碎机
1)电机需含电机调整底座、三角带(包括皮带罩、飞轮防护罩)。
2)颚板、护板等易损件更换应方便(颚板可对头互换),调整装置应灵活,颚板波峰厚度≥155mm,波谷厚度≥80mm。
3)轴承密封防尘装置采用迷宫迷封,需润滑的摩擦面应有防尘措施。设备轴承润滑方式为手动干油润滑。
4)破碎机的旋转传动部件配置安全防护装置。设备有可靠的超载保险装置,当破碎腔内掉进非破碎物或严重超载时,肘板折断,能保护其他零件不致损坏。
5)破碎机品牌选择:上海98-web冶金设备有限公司(山碎),江苏菲尼克斯机械有限公司(菲尼克斯)。
复摆颚式破碎机(1)
| 项目 | 特性值 | 备注 |
| 使用位置 | 振动给料机(1)下部 | |
| 设备数量 | 2台 | |
| 进料口尺寸 | 1000×250mm | |
| 排矿口调整范围 | 20-55mm | |
| 重量(不含电机) | 6T | |
| 处理能力 | 17t/h | |
| 给料粒度 |
(1)电熔镁:<150mm,堆积密度:2.5t/m3; (2)高纯镁:25mm*20mm*12mm杏仁状,堆积密度:2.5t/m3 |
|
| 排矿粒度 | ≤35mm | |
| 机架 | 铸钢35,整体铸造 | |
| 拉杆 | Q235 | |
| 动颚衬板 | ZGMn13Cr2 | |
| 定颚衬板 | ZGMn13Cr2 | |
| 主轴材质 | 42CrMo | |
| 变频电机轴功率kw | 22-30KW | |
| 变频电机功率kw |

图四:复摆颚式破碎机
1)设备机盖能方便开启,设有密封严密的检查门,便于检修;各工作门、结合面的密封可靠,门轴转动灵活,无向外漏粉、漏风现象。
2)破碎机齿板为燕尾齿板,采用高耐磨铬钼合金钢材质整体精铸,使用寿命不少于6000h。设备运行过程中,不堵料不粘料。齿板采用T型螺栓方式连接紧固。厂家提供专用齿板拆卸安装工具。
3)轴承采用自动换油润滑系统,对轴承同时进行润滑保护,设备开始运行时自动给轴承加清洁干净的润滑油,同时将轴承中的含杂质的油脂通过排油孔排出。轴承座采用迷宫密封形式。破碎机设置碟簧闪退调节机构和剪切保护保险销双重保护装置,避免超硬物料进入设备时损坏机器。

图五:对辊破碎机
对辊破碎机(1)
| 项目 | 特性值 | 备注 |
| 使用位置 | 第一道斗式提升机后侧、直线振动筛后侧 | |
| 设备数量 | 2台 | |
| 规格型号 | 750*500 | |
| 入料粒度mm | <35mm,电熔镁、氧化镁砂堆积密度:2.5t/m³ | |
| 排矿粒度mm | 8mm含量>70% | |
| 调整范围mm | 0-15mm | |
| 重量(不含电机) | 5.7吨 | |
| 处理能力 | 17t/h | |
| 辊子转速 | 80r/min | |
| 辊筒 | 辊筒直径750mm,辊筒长度500mm | |
| 线速度 | 13.5M/S | |
| 齿板块数 | 24块,65kg/块 | |
| 连接方式 | 皮带 | |
| 电机轴功率kw | 定频 | |
| 电机功率kw | 37kw*2/台 |
对辊破碎机(2)
| 项目 | 特性值 | 备注 |
| 使用位置 | 直线振动筛后侧 | |
| 设备数量 | 2台 | |
| 规格型号 | 600*400 | |
| 入料粒度mm | <35mm,电熔镁、氧化镁砂堆积密度:2.5t/m³ | |
| 排矿粒度mm | <8mm | |
| 调整范围mm | 0-15mm | |
| 重量(不含电机) | 3.8t | |
| 处理能力 | 12t/h | |
| 辊子转速 | 88r/min | |
| 辊筒 | 辊筒直径600mm,辊筒长度400mm | |
| 线速度 | 13.5M/S | |
| 齿板块数 | 24块,65kg/块 | |
| 连接方式 | 皮带 | |
| 电机轴功率kw | 定频 | |
| 电机功率kw | 15kw*2/台 |
2.4 斗式提升机
1)斗式提升机头轮驱动带逆止装置;提升机轴承座采用剖分式、外置式轴承座独立于壳外,带骨架油封。2)斗式提升机尾轮配重形式采用重锤式,配重块由生产制造厂家提供。
3)设有断裂检测,卸料口装有防回橡胶板。
4)提升机头部设置检修平台,检修空间不低于1m,防护栏高度不低于1.2m,并配带维修架。
5)斗式提升机整机需具有良好的密封性能,在工作时不得有粉尘外漏现象。壳体连接处密封采用聚四氟乙烯带密封。
6)斗式提升机的壳体设置检修门(检修门采用快开式),检修门位置以楼板标高为基准抬高1m,要求两侧均应设置检修门。
7)斗式提升机入料口及出料口需加入耐磨衬板材质16Mn。
8)提升机头部、尾部预留收尘口。

图六:斗式提升机
斗式提升机(1)
| 项目 | 特性值 | 备注 |
| 使用位置 | 颚式破碎机后侧 | |
| 设备数量 | 2台 | |
| 规格型号 | TD315斗式提升机(左装、右装各一台) | |
| 卸载方式 | 混合 | |
| 电机功率 | 11KW | 工频 |
| 电机轴功率 | 7.5KW | |
| 输送量 | 17t/h(台) | |
| 提升高度 | 提升上下轴间距C=14.4m | |
| 物料名称 |
(1)电熔镁砂:0-35mm,堆积密度:2.5t/m3; (2)高纯镁砂:0-25mm,堆积密度:2.5t/m3 |
|
| 传动形式 | YY型 | |
| 斗速 | 1.6m/s | |
| 箱体板厚 | 4mm | |
| 斗容 | 3.55L | |
| 皮带厚度 | 15mm |
斗式提升机(2)
| 项目 | 特性值 | 备注 |
| 使用位置 | 第一道对辊式破碎机后侧 | |
| 设备数量 | 2台 | |
| 规格型号 | TD315斗式提升机(左装、右装各一台) | |
| 卸载方式 | 混合 | |
| 电机功率 | 18.5KW | 工频 |
| 电机轴功率 | 11KW | |
| 输送量 | 35t/h(台) | |
| 提升高度 | 提升上下轴间距C=22.4m | |
| 物料名称 |
(1)电熔镁:0-35mm,堆积密度:2.5t/m3; (2)高纯镁:0-35mm,堆积密度:2.5t/m3 |
|
| 传动形式 | YY型 | |
| 斗速 | 1.6m/s | |
| 箱体板厚 | 4mm | |
| 斗容 | 3.55L | |
| 皮带厚度 | 15mm |
2.5 离心风机
1)采用联轴器连接的风机,联轴器处设置全封闭式钢制保护罩,由不小于4mm薄板制作,该保护罩能将全部外露转动部分覆盖,当尺寸大于300mm应加两道立筋;电机与风机放置在室外,需配置整体防雨罩。
2)对于风机壳体预留观察孔或检修孔的,必须使用四氟垫片进行密封,严禁漏风。
3)严格依据产品技术参数进行设备制造,因产品规格所限需要根据风机流量范围配套风机的,风量指标应为参数的下限值,禁止将所供风机风量的最高上限值作为设备技术要求中的定值。
4)风机出口配套消音器;进、出口配备金属膨胀节;出、入口风门选用手动型。
5)风机与电机连接方式采用直联式,采用膜片式联轴器,联轴器处设置钢制联轴器保护罩,该保护罩是封闭式,且易拆装。
6)轴盘材料选用铸铁;主轴材料选用45号钢;侧板厚度不小于5mm;蜗壳板厚度不小于4mm。

图七:离心风机
离心风机(1)
| 项目 | 特征值 | 备注 | |
| 使用位置 | 主除尘器配套风机 | ||
| 设备数量 | 2台 | ||
| 规格型号 | 4-72-8C | ||
| 旋向角度 | |||
| 主轴转速 | 1800 | ||
| 电机功率 | 30kw | ||
| 电机轴功率 | 22kw | ||
| 风机流量 | 20000-24000 | ||
| 风机全压 | 2800pa | ||
| 工频电机 | 转速 | ||
| 功率 | |||
2.6 除尘设备技术要求
1)除尘器出口含尘浓度≤30mg/m3。
2)布袋除尘器运行时每平方米过滤风速小于0.8m/min。
3)除尘器滤袋材质为覆膜涤纶三防针刺毡550g,布袋在保修期内失效率<0.5%,寿命期内失效率<1%。
4)壳体采用压型板制作,材质选用Q235B,厚度不小于5mm,进出口管道配对法兰厚度不小于12mm,进风口处设置导流板,保证气流均匀分布。花板采用低碳钢板,厚度不小于6mm。
5)脉冲阀要求采用进口产品(高原或ASCO),提供脉冲阀的规格、型号、技术参数。
6)除尘器本体配带格式卸灰阀。
7)除尘器必须做泄露试验。
8)灰斗壁厚规格为5mm,灰斗斜侧壁与水平方向的交角要考虑物料的流动性,不能集料,每一灰斗应配备一个检修用人孔。
9)袋龙纵筋φ3.8mm,加强反撑环φ4mm,间距200mm,φ160骨架纵筋数量为14条, φ130骨架纵筋数量为10条。
10)储气罐要求排污、排水和有安全阀。储气罐的报验手续(含费用)由用户负责。
11)除尘器满足在线清灰、离线清灰、单独仓室隔离检修功能,不允许采用“箱式喷吹”的形式。进风阀为独立结构,阀门采用法兰连接。

图八:脉冲除尘器
| 项目 | 特征值 | 备注 |
| 使用位置 | 主除尘器器 | |
| 设备数量 | 除尘器2台,储气罐2台 | |
| 滤袋规格 | Φ133*2500mm | |
| 骨架规格 | Φ130*2450mm | |
| 滤袋数量 | 480个 | |
| 总过滤面积 | 465㎡ | |
| 仓室数量 | 5个 | |
| 滤袋材质 | 覆膜涤纶三防针刺毡550g | |
| 设备使用温度 | ≤120度 | |
| 处理风量 | 28000m³/h | |
| 设备阻力 | 1500-1700pa | |
| 设备工作压力 | 5000pa | |
| 储气罐容积、数量 | 1m³,2个 | |
| 除尘器脉冲阀数量 | 25个 | |
| 脉冲阀直径 | 1.5寸 | |
| 除尘器漏风量 | ≤2% | |
| 流通介质 | 常温含氧化镁粉尘烟气 | |
| 入口含尘浓度 | ≤150g/Nm³ | |
| 出口含尘浓度 | ≤20mg/Nm³ | |
| 格式卸灰阀电机功率 | 1.1kw |
2.7 电子台秤
1)台秤四角配有可调节304材质秤脚,调节高度约 1~15mm;称体面板花纹钢板厚度5mm;加强筋选用14#槽钢。2)配置高精度铝合金专用称重传感器,传感器选择品牌厂家。
3)安全过载 150/%.FS;极限过载 200%.FS; 综合误差±0.02%.FS;工作温度-30~+70℃;具有置零,扣重,计数,动物称重功能和零位跟踪功能。
4)显示屏设计防水、防尘密封,严密灰尘介入。
5)仪表为交直流两用型,带可充电蓄电池,电瓶充足可连续使用不少于 20 小时。
6)带有标准 RS232 接口,可以跟电脑通信,100%.FS 去皮,自动零点追踪;IP65 五孔接线盒; 内置精密可调电路,用来调整每只传感器之间的误差。
7)就地显示重量。
| 项目 | 特征值 | 备注 |
| 使用位置 | 成品仓下部 | |
| 设备数量 | 储料仓下部 | |
| 规格型号 | 8台 | |
| 台面尺寸 | PFK989-E1500 不锈钢 | |
| 称量范围 | 1250*1500 | |
| 可读性重量 | 0-1.5吨 | |
| 误差感量 | 2g |
2.8 格式给料机
| 项目 | 特征值 | 备注 |
| 使用位置 | 除尘器下部 | |
| 设备数量 | 6台 | |
| 规格型号 | YZD10 | |
| 处理量 | 5T/h | |
| 电机功率 | 1.1kw | |
| 运行功率 | ||
| 进、出料口尺寸 | 240mm*240mm、240mm*240mm | |
| 传动接方式 | 直连 | |
| 叶片材质 | 16Mn |
2.9 空气炮
1)空气炮开启时间≤2秒;工作介质为压缩空气。2)空气炮本体及附属设备设计承压能力不低于1.0MPa。
3)喷吹管、球阀、高压金属软管、对丝、耐热喷嘴采用304不锈钢材质。
4)喷吹管口应与仓筒内壁斜交(方向向下),满足满焊要求。
5)空气炮设计排污口。
6)所有组件均应有匹配标记,并配备组件对准所需器具。
7)二位二通气动阀应安装在紧靠气缸进口的进气管上。
8)电磁阀应采用防水型二位二通电磁阀产品,并应具有防盐雾腐蚀功能。

图九:空气炮
9)脉冲仪控制
| 项目 | 特征值 | 备注 |
| 使用位置 | ||
| 设备数量 | ||
| 型号 | ||
| 工作类型 | ||
| 容量L | ||
| 工作温度 | ||
| 工作压力MPa | ||
| 冲击力N |
2.10电动葫芦
1)钢丝绳悬挂式电缆必须以水平方向安装,同时必须满足从常温到55℃的温度变化引起的电缆变形。电缆采用耐高温、阻燃型。2)电动葫芦起升和行走采用双速电动机,实现快慢速,保证起吊重物平稳升降和平移。
3)控制方式为遥控手柄为主,36V安全操作电压,操作手柄带紧急停车按钮,在发生紧急情况时能通过急停按钮断开总电源;手柄电缆采用高强度电缆。开关选型按照ICS≥50KA。
4)厂家提供的电动葫芦是一套完整设备,具体包括运行机构和提升机构的电机、减速机以及壳体、卷筒、钢丝绳和导绳器、吊钩、控制系统和安全防护装置等附件。
5)卷筒筒体:单联卷筒16锰材料卷制,短轴连接,标准绳槽,带导绳器,保证钢丝绳规则的导入卷筒。钢丝绳选择防缠绕镀锌材料。吊钩配带保险锁。
6)配备起升限位开关、两端的缓冲橡胶块、高速旋转部位设安全防护罩。
2.11雷蒙磨机(依据业主要求就地还是远程,业主方普遍采用就地控制,预留远程接口)
1)磨机底座风道采用圆弧形风道,气流切向吹进,减小阻力,有利于物料的分散,不容易堵料。2)磨机底座采用整体铸造结构,提高磨机稳定性及使用寿命。
3)磨粉机磨辊采用手动干油润滑。设备冷却方式不采用水冷。
4)磨粉机主电机、选粉机电机采用变频调节,主风机及除尘器配套风机电机不采用变频调节。
5)选粉机采用动静组合式选粉机,叶片采用耐磨材料。
6)收集系统旋风集粉器板厚要求5mm以上,蜗壳切向进风内壁加焊Mn16内衬。
7)除尘器及离心风机制作及供货厂家参照2.5和2.6条例具体要求。

图十:雷蒙磨粉机
| 项目 | 特征值 | 备注 |
| 使用位置 | 细磨区域 | |
| 设备数量 | 2台 | |
| 振动给料机 | ||
| 给料粒度(mm) | 电熔镁和高纯镁<8mm | |
| 处理量(t/h) | 5-10t/h(台) | |
| 雷蒙机 | ||
| 生产能力 | 2t/h | |
| 进料粒度 | 电熔镁砂和高纯镁砂<8mm,堆积密度:2.5t/m³ | 前装机供料 |
| 成品粒度 | 200目 | |
| 中心轴转速 | 105-115r/min | |
| 磨辊尺寸 | φ406×280mm(直径×高度) | |
| 磨环尺寸 | φ1270mm(内径×高度) | |
| 磨辊数量 | 4 | |
| 机壳材质(底座) | ZG270-500,底座及回气箱 | |
| 磨辊材质 | ZGMn13-2Cr | |
| 磨环材质 | ZGMn13-2Cr | |
| 主电机功率 | 装机功率:90kW 轴功率:85kW | |
| 选粉机叶轮直径 | φ1130mm | |
| 选粉机转速 | 1480r/min(可调) | |
| 选粉机转子材质 | 16Mn | |
| 选粉机电机功率 | 装机功率:30kW 轴功率:kW | 变频控制 |
| 旋风收集器 | ||
| 内径 | 2×φ1400mm | |
| 分离效率 | 95% | |
| 壳体材质 | Q345,5mm | |
| 气体切向入口尺寸 | Φ550mm | |
| 气体出口尺寸 | Φ350mm | |
| 卸料口尺寸 | ||
| 格式卸料阀电机功率 | 装机功率:2.2kW 轴功率:kW | |
| 主风机 | ||
| 传动方式 | 皮带传动 | |
| 旋向角度 | 左194度 | |
| 风压 | 5400Pa | |
| 风量 | 32200m3/h | |
| 转速 | 1850r/min | |
| 叶片材质 | 16Mn | |
| 主轴材质 | 40Cr | |
| 壳体材质 | Q235B,5mm | |
| 风机电机功率 | 装机功率:90kW 轴功率:kW | |
| 脉冲布袋收尘器 | ||
| 处理风量 | 4000-6000m3/h | |
| 出口含尘浓度 | <30mg/m³ | |
| 滤袋材质 | 覆膜涤纶三防针刺毡550mg | |
| 允许工作压力 | 0.5-0.7 Pa | |
| 总过滤面积 | 60(㎡) | |
| 仓室数量 | 1个 | |
| 过滤风速 | 1.1-1.7(m/min) | |
| 滤袋规格 | Φ134×2000mm | |
| 袋笼规格 | Φ134×1950mm | |
| 脉冲阀直径 | 1寸 | |
| 控制方式 | 脉冲仪控制 | |
| 配套风机电机功率 | 装机功率:5.5kW 轴功率:kW | |
| 格式卸灰阀电机功率 | 装机功率:2.2kW 轴功率:kW | |
五、工程供货、调试范围及内容
以上就是两套整套运行良好的成品镁砂破碎生产线所需的设备,包括颚式破碎机、振动给料机、对辊破碎机、斗提机、直线振动筛、旋振筛、电子计量地称、离心风机、除尘器、雷蒙磨机成套设备、空气炮、电动葫芦、手动闸板阀、格式给料机、工艺阀门、法兰及预埋螺栓螺帽连接件及安装附件等附属设备,设备布置在钢结构框架上,钢结构(含钢柱、钢梁、钢平台、钢爬梯、吊车梁、配套钢构件等)、除尘通风管道、压缩空气管道、水管道等由厂家施工。厂家负责提供破碎及附属系统范围内(含配电室内配电和控制)所有电气、仪表设备的供货和调试。六、材料供应和管理
用户供应材料:钢板、管道。客户自己负责购买的材料包括:安装、试验、检测、探伤以及设备、罐槽、胶及粘结剂、设备调整垫片、M8以下螺栓、油漆(防锈、防腐油漆、面漆)、电缆桥架、接地镀锌扁铁、镀锌管、电缆针型鼻等。
七、备品和备件
随机备件清单(单独包装、标识)| 序号 | 设备名称 | 名称 | 规格型号 | 数量 |
| 1 | 直线振动筛 | 筛网 | 筛孔8*8mm | 8张 |
| 2 | 旋振筛 | 筛网 | 筛孔1*1mm | 8张 |
| 筛孔3*3mm | 6张 | |||
| 筛孔5*5mm | 6张 | |||
| 3 | 颚式破碎机 | 弹簧 | ||
| 肘板垫 | ||||
| 三角带 | ||||
| 4 | 齿辊破碎机(1) | 辊子 | 1对 | |
| 5 | 齿辊破碎机(2) | 辊子 | 1对 | |
| 6 | 斗式提升机 | 减速电机 | Xx系列 | 台 |
| 7 | 布袋除尘器 | 滤袋 | 条 | |
| 8 | 雷蒙磨机 | 磨辊 | 8个 | |
| 磨环 | 2个 | |||
| 铲刀头 | 8个 | |||
| 滤袋 | 80条 | |||
| 袋笼 | 80个 | |||
| 电磁脉冲阀 | 10个 |
电仪备件原则:备件应与设备上安装的为相同型号,质保期内非甲方原因造成损坏的电气、仪表设备(包括电机)由乙方免费更换。每2台相同型号电动机备用1台。
七、安装范围和要求
1、总则本次安装范围为成品破碎项目涉及到的设备安装、管道敷设、电缆敷设、非标制作、防腐。主要包括主/辅机设备、工艺管道、电气系统、油系统等及工程内的管道、阀门、桥架、支吊架、电缆敷设等附属设备的安装。
2、工艺设备相关
1)非标制作:包括设备钢结构平台、盖板、料斗、溜槽、料仓、支吊架、防尘罩、防护装置的制作安装。
2)油系统:液压油、变压器油、润滑站等油站的注油、滤油及滤材和化验。
3)防腐:安装范围内的设备、钢构件、管道(含地埋管)的除锈、油漆、防腐,安装后的最后一道面漆或设备、管道补漆。
4)管道清理:压缩空气、水管道由乙方人员组织吹扫、冲洗、打压试验、解列和恢复。
5)设备、管道、电缆管的穿墙、开沟、回填、楼板孔的开凿、路面破除属安装范围之内(遵循谁使用,谁开孔;谁开孔,谁封堵的原则)。
6)本项目的水、电、压缩空气、电缆桥架等衔接都在安装范围内。
7)压力容器和压力管道开工许可、监检和使用证的取得(含费用)全部在安装范围内。
8)设备基础一、二次灌浆均不在本次安装范围内,设备具备灌浆条件后用户书面通知厂方,用户技术人员监督灌浆工作并验收。
9)设备操作、检修、工艺管道上操作需要的钢平台及土建图纸范围内的钢平台包含在安装范围内(除混凝土结构上的栏杆、混凝土结构至混凝土结构的楼梯不在本次安装范围内)。
3、性能指标
3.1 产量指标:本项目为两条相同工艺路线和设备,依据作业时间12h/天,每条生产线产量200吨/天,稳定运行;
3.2 产品粒径满足尺寸要求;
3.3 除尘器尾气含尘量≤30mg/m3。
4、性能测试程序
测试分析方法和程序为:在系统试运行和以后的正常生产中,双方建立一套双方都接受的工作程序记录和所有相关的操作和检验数据记录。在此期间,当记录表明试运行的生产能力已达到要求,且已连续了72h,同时产品规格、尾气含尘量都已达到本技术协议规定,即认为施工方已达到指标。
5、性能考核(两条生产线分别以电熔镁砂、高纯镁砂作为性能考核用原料)
5.1 如果在考核期内装置系统不能达到产能指标400t/d(200t/d×2套)的要求,那么用户将按以下比率进行考核:
| 产能占产量百分比 | 95%~97% | 90%~95% | ≤90% |
| 考核占合同额比例% | 1 | 3 | 5 |
6、布袋除尘器排放的尾气含尘量≤30mg/m3,尾气含尘量每高于5mg/m3扣除合同额的1%,以此类推。
本文原创来源:上海98-web冶金设备有限公司官方网站www.98-web.com,转载请注明文章出处!
公 司 简 介


工 厂 实 景


欢迎您来工厂参观访问
返回首页
选购摆式磨粉机需要注意哪些问题
2024-10-04
可逆锤式破碎机机架跳动是什么原因造成的呢?
2020-11-07
皮带输送机皮带跑偏演示动画
2023-05-13
时产1000吨的颚式破碎机优势及配置解析
2024-04-07
深入解析公路制砂机:性能特点、原理、应用范围及市场案例
2024-11-30
PE1200*1500颚式破碎机试机
2020-04-07
破碎机生产线五大安全注意事项
2019-12-09
机制砂生产线的布局应遵循这四个原则,以提高生产效率。
2019-11-01
颚式破碎机怎么检查与维护
2023-05-12
小能量脉冲破碎机物料破碎性能分析评估
2019-05-10
98-web集团对于铁路基建的一些现状分析
2019-05-12
时产2000吨铁矿石破碎生产线技术方案
2021-07-28
时产1600TPH石灰石破碎生产线设备配置方案
2020-07-13
高检院:判断非法采砂构成非法采矿罪的依据(方
2019-07-04
98-web反击破碎机和冲击式破碎机的发展历程
2019-05-10
一台每个小时处理量在200吨左右的液压式圆锥破碎机大概需要多少钱?
2019-08-25
浅谈破碎机的主要种类应用领域以及破碎机易损
2019-05-10
砂石生产线5种筛分方法及设备介绍
2023-03-13
组建小型碎石生产线的破碎机设备选型方案设计
2020-01-22
【热点资讯】“两降、一延、一规范”,山东调整矿业权出让收益征管政策
2019-08-25








