反击式破碎机电气控制柜电气原理简述
反击式破碎机需要电气控制柜来操控设备的启动和关闭,并且在维修时也需要控制柜电源的关闭控制,因此,电气控制柜对于破碎设备是非常重要的配套设备,今天应前不久有个客户需要这方面的资料,特分享一下98-web反击式破碎机的电路控制原理图,以便协助对方工作。以下分三部分简述以下反击破电气控制柜的基本知识:
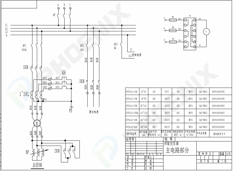
一、主电路部分
一、主电路部分
主电源由自动空气开关QF提供,自动开关QF1提供主电机电源,QF2提供泵站电源,QF3提供控制回路电源,交流接触器1KM、2KM、频敏变阻器BP完成主电机的启、停,3KM控制泵站电源。

图一:反击破主电路图

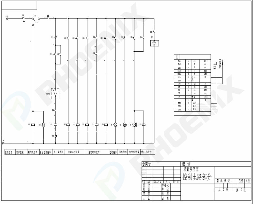
图二:反击式破碎机控制电路图
二、控制柜电气控制原理
1、启动:当主设备在可运行状态下,限位开关XK处于闭合位置,此时合上QF、QF1、QF3,把选择开关S12旋至工作位置,绿色信号灯HG亮,按下启动按钮SB21,1KM得电并自锁,主电机M在转子接入频敏变阻器BP的情况下启动,并缓漫加速,同时时间继电器1KT得电(1KT延时时间整定不能大于90秒),2KT得电(2KT延时时间大于1KT延时时间5~10秒),1KT延时时间到1KA得电、2KM得电,频敏变阻器BP被切除,主电机M启动结束进入正常工作;同时2KM得电断开2KT,2KT结束延时计时,绿色信号灯HG熄灭,红色信号灯HR亮,计时累加器time开始累计主机工作时间。
2、停机:按下停止按钮SS21,1KM失电,1KT、1KA、2KM同时失电,主机M自由停机,紧急停止按钮S11在紧急情况下便于操作。
3、保护:本电路设计得有过载、过流、短路保护,同时有启动异常保护,以免烧毁频敏变阻器,该保护由2KT、2KA完成,既:启动时1KM叩合,1KT、2KT同时得电并开始延时,但1KT延时时间比2KT短(一般可调短5~10秒),如果启动过程中1KT按时动作,但由于某种原因2KM未能吸合,频敏变阻器BP处于超时工作达到2KT延时时间后,2KA得电吸合,其触点2KA(13、15)断开,1KM失电切断电动机主回路,使频敏变阻器BP退出工作状态免于烧毁,同时2KA触点(7、35)接通声光报警器YF工作,说明启动有启动超时故障,应及时处理。

三、检修注意事项
在主电机检修时,必须断开自动空气开关QF1,合上QF2,将选择开关S12旋至揭盖位置,3KM得电,泵站电源接通,即可以进行揭盖检修,揭盖后限位开关XK断开,保证主电机不能启动,检修完毕后,合上盖子,XK闭合,表示设备处于可运行状态。
以上技术资料发布于中国大型破碎机、制砂机生产厂家:上海98-web冶金设备有限公司,转载此文请注明文章来源。
以上技术资料发布于中国大型破碎机、制砂机生产厂家:上海98-web冶金设备有限公司,转载此文请注明文章来源。
返回首页
碎石机运行或检修设备时,需要注意哪些事项?
2020-05-02
破碎筛分设备(3YK振动筛和GZG喂料机)发货
2020-04-19
PX高效细碎机断轴事故的两大罪魁祸首
2020-09-12
反击式破碎机性能优良,当之无愧成为高速公路建设好帮手
2019-08-29
【破碎机配件】今天说一下润滑脂和润滑油脂究竟有什么不一样的?
2019-07-30
【破碎机】烈日炎炎,工作人员记得给破碎机降温哦!
2019-08-05
贵州石灰岩破碎制砂生产线视频
2020-04-24
12月2日最新矿石价格行业汇总!
2019-12-05
山碎牌皮带输送机工作原理和结构特征总结
2019-05-10
怎么降低碎石、矿石、制砂生产线成本,提高生产效率?
2019-12-05
可逆锤式破碎机机架跳动是什么原因造成的呢?
2020-11-07
反击式破碎机的8个禁忌操作
2023-04-04
反击破碎机发货回顾
2020-04-18
立轴冲击式破碎机设备简介及发货回顾
2020-05-15
浅谈立轴冲击式破碎机、制砂机详细结构、运转
2019-05-10
砂石骨料生产线料仓设计不当、粉尘过大等7类问题及改进措施
2019-07-16
我国破碎机市场成为国际制造商关注热点
2019-05-10
复合液压圆锥破碎机偏心套怎样安装?
2020-09-23
【破碎机设备】自然资源部发布第5号令,多部涉地矿规章已修改!
2019-08-01
山碎牌颚式破碎机紧跟国际脚步,质量保证,信
2019-05-10






